Тахометр ОВЕН ТХ-01 предназначен для измерения частоты вращения вала, линейной скорости перемещения конвейера, времени наработки агрегатов.
Основные функциональные возможности
ОВЕН ТХ-01 измеряет мгновенную частоту поступающих импульсов, причем пользователь вправе сам выбрать масштаб отображения значения:
- имп/сек;
- имп/мин;
- имп/ч.
За счет функции множителя можно перевести частоту в линейную скорость, в удобном пользователю масштабе.
Тахометр имеет яркий шестиразрядный индикатор, на котором может отображаться частота, либо значение таймера наработки. В качестве датчика может выступать элемент типа «сухой контакт» (кнопки, герконы) или же бесконтактный датчик NPN-типа, для питания последних был предусмотрен встроенный источник питания 24В=.
Помимо измерения и отображения частоты и времени наработки тахометр ТХ01 может выдавать управляющие сигналы. Для этого предусмотрены один или два выходных элемента, количество которых определяется потребителем при заказе. В случае выходного элемента ключевого типа, прибор может сигнализировать о падении, либо повышении значения частоты. Также можно использовать ключевой выходной элемент для сигнализации о достижении предельного времени наработки оборудования.
Пользователь может заказать прибор с аналоговым выходом либо 4…20мА, либо 0…10В. В данном случае тахометр превращается в П-регулятор и выдает управляющий сигнал в зависимости от рассогласования.
Аналоговый выход можно использовать и в качестве регистратора. В этом случае сигнал изменяется в зависимости от значения частоты. Пользователь сам вправе выбирать значения верхней и нижней границы сигнала. Данная функция может быть полезной для передачи значения частоты на самописец, в системы регулирования или в системы диспетчеризации.
Основные технические характеристики
Диапазон значений измерения частоты от 0,5 до 2500 Гц
Диапазон значений измерения времени от 1с до 9999 суток
Питание от универсального источника питания 90…264В~ либо 24В=
Питание от источника постоянного тока 10,5…30В=
Выходные элементы Р, К, С, И, У
Диапазон рабочих температур от -20…70°С
Технические характеристики
Питание
|
Диапазон переменного напряжения ТХ01-224.Х.ХХ напряжение, В частота, Гц |
от 90 до 264 (номинальные значения 110, 220 или 240) от 47 до 63 (номинальные значения 50 и 60 Гц) |
|
Диапазон напряжения постоянного тока ТХ01-224.Х.ХХ, В |
от 20 до 34 (номинальное значение 24) |
|
Диапазон напряжения постоянного тока ТХ01-24.Х.ХХ, В |
от 10,5 до 30 (номинальные значения 12 и 24) |
| Максимальная потребляемая мощность, ВА, | не более 5 |
Выходные элементы
|
Тип ВУ |
Технические характеристики |
Значение |
|
Реле электромагнитное (Р) |
Номинальный ток нагрузки, А, не менее |
8 |
|
Номинальное напряжение нагрузки переменного тока с частотой 50 Гц и cos φ >0,4, В, не менее |
240 |
|
|
Максимальное напряжение нагрузки постоянного тока, В, не менее |
30 |
|
|
Электрическая прочность контактов, В, не менее |
1000 |
|
|
Оптопара транзисторная n-p-n-типа (К) |
Максимальный ток нагрузки, мА, не менее |
400 |
|
Максимальное напряжение постоянного тока, В, не менее |
60 |
|
|
Оптопара симисторная (С) в режиме коммутации нагрузки |
Максимальный ток нагрузки, мА, не менее Максимальное действующее напряжение переменного тока, В, не менее |
40 240 |
|
ЦАП «параметр-ток» (И) |
Выходной сигнал постоянного тока, мА Сопротивление нагрузки, Ом Номинальное сопротивление нагрузки Напряжение питания ЦАП, В Основная приведенная погрешность выходов ЦАП, %, не более |
от 4 до 20 от 0 до 1300 700 Ом от 10 до 36 0,5 |
|
ЦАП «параметр-напряжение» (У) |
Выходной сигнал постоянного напряжения Сопротивление нагрузки, не менее Напряжение питания ЦАП Основная приведенная погрешность выходов ЦАП, %, не более |
от 0 до 10 В 5 кОм от 15 до 36 В 0,5 |
Характеристики входов
| Параметр | Значение |
| Максимальный входной ток, мА, не менее | 10 |
| Входной ток при активном уровне сигнала, мА, не менее | 4,5 |
| Максимальное входное напряжение, В, не менее | 30 |
| Длительность импульса на счетном входе, мкс, не менее | 10 |
| Длительность сигнала на входе «Счет наработки», мс, не менее | 300 |
Метрологические характеристики
| Параметр | Значение |
| Предел допускаемой приведенной погрешности измерений, %, не более | ±0,5 |
| Межповерочный интервал, лет | 2 |
| Средний срок службы, лет | 12 |
Габаритные и установочные размеры
![]() |
|
Н – корпус настенного крепления, габаритные размеры 130х105х65 мм, степень защиты IP44. |
![]() |
|
Щ2 – корпус щитового крепления, габаритные размеры 96х48х100 мм, степень защиты со стороны передней панели IP54 (Щ2N) |
Модификации
![]() |
| Обозначения при заказе |
Напряжение питания:
| 224 | от сети переменного тока с частотой от 47 до 63 Гц (номинальные значения 50 или 60 Гц) и напряжением от 90 до 264 В (номинальные значения 110, 220 или 240 В) или от сети постоянного напряжения от 20 до 34 В (номинальные значения 12 и 24 В); |
| 24 | от сети постоянного напряжения от 10,5 до 30 В (номинальное значение 24 В). |
Конструктивное исполнение:
| Н | корпус настенного крепления с размерами 105×130×65 мм и степенью защиты IP44; |
| Щ2 | корпус щитового крепления с размерами 96×48×100 мм и степенью защиты со стороны передней панели IP54. |
Тип аналогового ВУ:
| Обозначение выхода | Тип выходного элемента |
| И | ЦАП «параметр-ток от 4 до 20 мА» |
| У | ЦАП «параметр-напряжение от 0 до 10 В» |
Тип дискретного ВУ:
| Обозначение выхода | Тип выходного элемента |
| Р | Контакты электромагнитного реле |
| К | Оптопара транзисторная n-p-n-типа |
| С | Оптопара симисторная |
Функциональная схема прибора
Элементы индикации
Единичные светодиодные индикаторы:
«
» – светодиод засвечен, если прибор ведет измерение времени наработки;
«С» – светодиод засвечен, если единицы измерения имп/с при выполнении функции тахометра, если диапазон измеренного времени наработки от 0 с до 99 ч 59 мин 59 с при выполнении функции счетчика наработки;
«М» – светодиод засвечен, если единицы измерения имп/мин при выполнении функции тахометра, если диапазон измеренного времени наработки от 100 часов до 9999 ч 59 мин при выполнении функции счетчика наработки;
«Ч» – если единицы измерения имп/ч при выполнении функции тахометра, светодиод засвечен, если диапазон измеренного времени наработки от 10000 ч до 9999 суток 23 ч при выполнении функции счетчика наработки.
«ВЫХ» – светодиод засвечен, если дискретное ВУ включено согласно выбранному режиму работы ВУ, если на выходе ЦАП аналогового ВУ формируется сигнал, соответствующий установленному пользователем верхнему предельному значению ЦАП
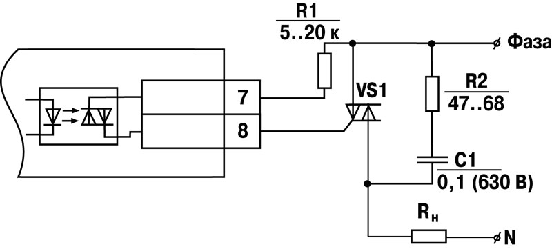
Схемы подключения
Список программируемых параметров


