Преобразователь ОВЕН НПТ-2, совместно с измерительными датчиками, предназначен для преобразования значения температуры в унифицированный сигнал постоянного тока 4…20 мА. Преобразователь предназначен для работы с термопарами по ГОСТ Р 8.585-2001 и термометрами сопротивления по ГОСТ Р 8.625-2006. НПТ-2, применяются во вторичной аппаратуре систем автоматического контроля, регулирования и управления технологическими процессами в различных отраслях промышленности, в том числе подконтрольных Ростехнадзору, а также в коммунальном хозяйстве, диспетчеризации, телемеханических информационно-измерительных комплексах и т. д.
Возможности
- Подключать отечественные датчиками температуры к контроллерам зарубежных производителей
- Увеличивать длину линии связи «измерительный прибор \ датчик температуры»
- Подключить к одному датчику несколько измерителей
- Снизить влияние помех на линию связи «прибор \ датчик»
Достоинства
Высокая точность, погрешность измерения для ТП 0,5%, для ТС 0,25%
ОВЕН НПТ-2 внесен в реестр средств измерений РФ
Высокая разрешающая способность. Дискретность выходного сигнала 4…20мА составляет не более 8мкА
Высокая надежность. ОВЕН НПТ-2 соответствует требованиям ГОСТ по электромагнитной совместимости с критерием качества функционирования А
Высокая временная стабильность. ОВЕН НПТ-2 в течении всего срока службы не требует построек
Широкий диапазон рабочих температур окружающий среды: -40…+85°С
Широкий набор диапазонов преобразования температур (см. таблицу Диапазоны преобразования)
|
Диапазон преобразования «температуры в 4…20мА», оС |
Код диапазона |
Тип сенсора |
Полное название нормирующего преобразователя |
|---|---|---|---|
|
-50...+180оC |
01 |
50М
(α=0,00428оС-1) |
НПТ-2.01.1.2 |
|
-50...+50оC |
11 |
НПТ-2.11.1.2 |
|
|
0...+50оC |
21 |
НПТ-2.21.1.2 |
|
|
0...+100оC |
31 |
НПТ-2.31.1.2 |
|
|
0...+150оC |
41 |
НПТ-2.41.1.2 |
|
|
-50...+180оC |
06 |
100М
(α=0,00428оС-1) |
НПТ-2.06.1.2 |
|
-50...+50оC |
16 |
НПТ-2.16.1.2 |
|
|
0...+50оC |
26 |
НПТ-2.26.1.2 |
|
|
0...+100оC |
36 |
НПТ-2.36.1.2 |
|
|
0...+150оC |
46 |
НПТ-2.46.1.2 |
|
|
-50...+150оC |
56 |
НПТ-2.56.1.2 |
|
|
-50...+500оC |
02 |
100П
(α=0,00391оС-1) |
НПТ-2.02.1.2 |
|
-100...+100оC |
12 |
НПТ-2.12.1.2 |
|
|
0...+100оC |
22 |
НПТ-2.22.1.2 |
|
|
0...+150оC |
32 |
НПТ-2.32.1.2 |
|
|
0...+300оC |
42 |
НПТ-2.42.1.2 |
|
|
0...+500оC |
52 |
НПТ-2.52.1.2 |
|
|
-50...+500оC |
03 |
Pt100
(α=0,00385оС-1) |
НПТ-2.03.1.2 |
|
-100...+100оC |
13 |
НПТ-2.13.1.2 |
|
|
0...+100оC |
23 |
НПТ-2.23.1.2 |
|
|
0...+150оC |
33 |
НПТ-2.33.1.2 |
|
|
0...+300оC |
43 |
НПТ-2.43.1.2 |
|
|
0...+500оC |
53 |
НПТ-2.53.1.2 |
|
|
-40...+600оC |
04 |
ДТПL
(хромель-капель) |
НПТ-2.04.1.2 |
|
0...+400оC |
14 |
НПТ-2.14.1.2 |
|
|
0...+600оC |
24 |
НПТ-2.24.1.2 |
|
|
0...+800оC |
34 |
НПТ-2.34.1.2 |
|
|
-40...+800оC |
05 |
ДТПК
(хромель-алюмель) |
НПТ-2.05.1.2 |
|
0...+400оC |
15 |
НПТ-2.15.1.2 |
|
|
0...+600оC |
25 |
НПТ-2.25.1.2 |
|
|
0...+1000оC |
35 |
НПТ-2.35.1.2 |
|
|
0...+1300оC |
45 |
НПТ-2.45.1.2 |
Внимание!!!
Нормирующие преобразователи НПТ-2 могут устанавливаться только в модели датчиков в который имеется коммутационная головка «Увеличенного типа» (Луцкая головка). См. таблицу: Модели датчиков с увеличенной коммутационной головкой, см. схему обозначения таких датчиков при заказе.
Модификации НТП-2
Модели датчиков с увеличенной коммутационной головкой
|
Конструктивное исполнение |
Модель |
Параметры |
Длина монтажной части L*, мм |
|
015 |
D = 8 мм |
L, мм 80, 100, 120, 160, 200, 250, 320, 400, 500, 630, 800, 1000, 1250, 1600, 2000 |
|
|
025 |
D = 10 мм |
||
|
035 |
D = 8 мм, M = 20х1,5 мм**, S = 22 мм |
L, мм 60, 80, 100, 120,160, 200, 250, 320, 400, 500, 630, 800, 1000, 1250, 1600, 2000 |
|
|
045 |
D = 10 мм, M = 20х1,5 мм**, S = 22 мм |
||
|
145 |
D = 6 мм, M = 20х1,5 мм**, S = 22 мм |
||
|
055 |
D = 10 мм, M = 20х1,5 мм**, S = 22 мм |
L, мм 80, 100, 120,160, 200, 250, 320, 400, 500, 630, 800, 1000, 1250, 1600, 2000 |
|
|
065 |
D = 8 мм, M = 20х1,5 мм**, S = 27 мм |
||
|
075 |
D = 10 мм, M = 20х1,5 мм**, S = 27 мм |
||
|
085
|
D = 10 мм, M = 27х2 мм**, S = 32 мм |
||
|
095
|
D = 10 мм, D1 = 18 мм, M = 20х1,5**, S = 22 мм
|
||
|
105 |
D = 8 мм, M = 20х1,5 мм**, S = 27 мм |
--------------------------------------------------
* Длина монтажной части L выбирается при заказе.
** По спец. заказу возможно изготовление датчиков с трубной резьбой.
Конструктивное исполнение коммутационной головки для ДТС моделей ХХ5
| Исполнение коммутационной головки | Габаритный чертеж |
| Увеличенное |
![]() |
| Стандартное |
![]() |
Модификации датчиков с увеличенной коммутационной головкой
![]() |
| Схема обозначения термопар с "Увеличенной" комутационной головкой |
![]() |
| Схема обозначения термометров сопротивления с "Увеличенной" комутационной головкой |
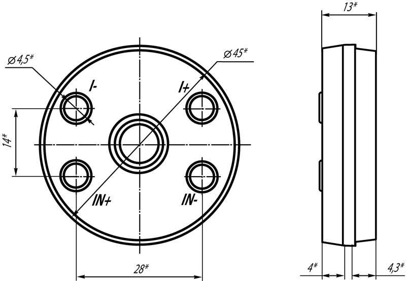
Габаритные и установочные размеры
![]() |
| Габаритные и установочные размеры |
![]() |
| Внешний вид |
![]() |
| Внешний вид |
![]() |
| Установка ОВЕН НПТ-2 в датчик |