DIN-рейки

 

DIN-рейки 35х15 мм Аксессуары
DIN-рейки Аксессуары

DIN-рейки - специальные монтажные рейки, применяемые для упорядоченного монтажа оборудования в электротехнических и распределительных щитах. DIN-рейки позволяют сэкономить внутренне пространство шкафов, а также ускоряют процесс монтажа и демонтажа стандартных модульных устройств (автоматические выключатели, контакторы, блоки питания и другие устройства). DIN-рейки производятся из специальной углеродистой стали с дальнейшей оцинковкой и пассивацией, что обеспечивает высокую коррозионную стойкость. Также в ассортименте представлены алюминиевые DIN-рейки.

Особенности:

  1. Строгое соответствие стандартам ГОСТ Р МЭК 60715-2003 и DIN EN 60715 (ранее DIN EN 50022), толщина реек 1 мм.
  2. Высокая коррозионная стойкость, дополнительный слой пассивации 8 микрон.
  3. DIN-рейки прошли испытания в соляном тумане согласно стандартам ASTM B 117 и ISO 9227.

    DIN-рейки 35х7,5 мм

    Артикул

    Длина, мм

    Материал

    Толщина, мм

    Тип

    Упаковка, шт.

    MTEC-DS75P

    75

    Оцинк. сталь

    1

    Перфорированная

    1

    MTEC-DS140P

    140

    Оцинк. сталь

    1

    Перфорированная

    1

    MTEC-DS250P

    250

    Оцинк. сталь

    1

    Перфорированная

    1

    MTEC-DS300P

    300

    Оцинк. сталь

    1

    Перфорированная

    1

    MTEC-DS1000P

    1000

    Оцинк. сталь

    1

    Перфорированная

    1

    MTEC-DS1000

    1000

    Оцинк. сталь

    1

    Сплошная

    1

    MTEC-DA1000P

    1000

    Алюминий

    1

    Перфорированная

    1

    MTEC-DA1000

    1000

    Алюминий

    1

    Сплошная

    1


    DIN-рейки 35х15 мм

    Артикул

    Длина, мм

    Материал

    Толщина, мм

    Тип

    Упаковка, шт.

    MTEC-DH1000P

    1000

    Оцинк. сталь

    1

    Перфорированая

    1

    MTEC-DH1000

    1000

    Оцинк. сталь

    1

    Сплошная

    1

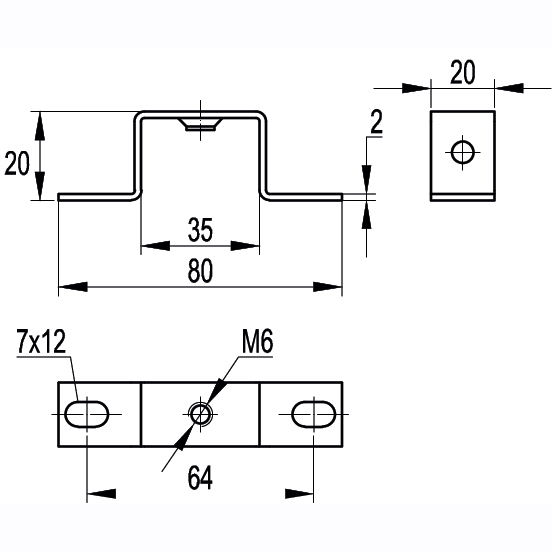
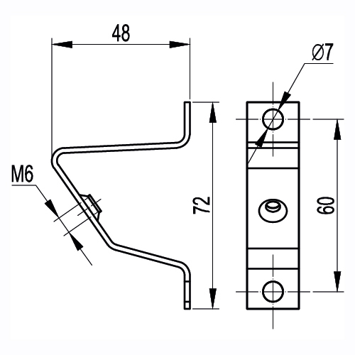
    Держатели DIN-реек - позволяют установить рейку под углом к монтажной плате, что обеспечивает удобство монтажа устройств  на DIN-рейку и их последующее подключение.






    Артикул

    Тип

    Резьба

    Упаковка, шт.

    Размеры

    MTEC-HD75

    Угловой

    М6

    10

    Держатель DIN-реек угловой

    MTEC-HD150

    Прямой

    М6

    20

    Держатель DIN-реек прямой