Блок индикации положения БИП-210

Прибор для визуальной индикации положения пневмопривода 

  • Концевые выключатели: ~3 А, 250 В; =0,2 А, 250 В; =4 А, 30 В
  • Угол поворота индикатора: 0…90°С
  • Кабельный ввод: G½"
  • Защита: IP67
  • ПОДРОБНОЕ ОПИСАНИЕ
  • Блок индикации положения БИП-210 предназначен для визуальной индикации положения пневмопривода 
  • ОСОБЕННОСТИ

    Наличие концевых выключателей

    Легкая установка и настройкаТЕХНИЧЕСКИЕ ХАРАКТЕРИСТИКИ:

    Параметр Значение 
    Концевые выключатели  ~3 А, 250 В; 
    =0,2 А, 250 В; 
    =4 А, 30 В 
    Угол поворота индикатора  0…90°С 
    Кабельный ввод  G½" 
    Степень защиты  IP67 
    Температура эксплуатации  −35...70°C 
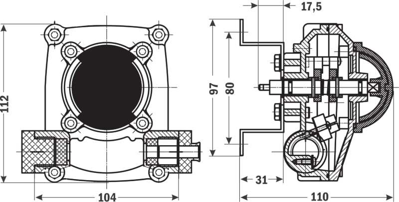
    Габаритные размеры  112×104×110 мм
    Габаритные размеры 

    Версия: 2014-10-15-КВА