Общая информация. ОВЕН ПД200

Преобразователь давления интеллектуальный

ТУ 4212-002-46526536-2009

Декларация о соответствии ТР Таможенного союза

Внесены в Государственный реестр средств измерений

Разрешение на применение РОСТЕХНАДЗОРА

Сертификат взрывозащиты ТР Таможенного союза 1Exd IICT6Gb

Сертификат соответствия ГАЗПРОМСЕРТ

ОВЕН ПД200 является интеллектуальным датчиком давления и обеспечивает непрерывное преобразование давления измеряемой среды (дифференциального, избыточного и избыточного-вакуумметрического) в унифицированный выходной токовый сигнал 4…20 мА и цифровой сигнал стандарта HART.

Рекомендуемая рабочая среда для датчиков – различные жидкости (в том числе агрессивные), пар, газы (в том числе метан), парогазовые и газовые смеси, не агрессивные к материалу измерительной мембраны и уплотнения сенсора, при давлении, не превышающем верхний предел измерения датчика.

Преобразователи предназначены для использования на промышленных объектах и объектах ЖКХ в различных системах автоматического контроля, регулирования и управления технологическими процессами: расход на сужающих устройствах (имеется корнеизвлекающая функция), измерение уровня в герметичных емкостях под давлением, контроль засоренности фильтров, контроль работы насосов, вентиляторов и т.п.

Преобразователи давления имеют «полевое» исполнение, что позволяет применять их в системах, размещаемых на «открытом воздухе» в районах со сложными климатическими условиями. ОВЕН ПД200 с взрывозащитой типа «Взрывонепроницаемая оболочка» 1ExdIICT6Gb могут применяться во взрывоопасных зонах.

 

Преимущества преобразователей давления ОВЕН ПД200:

  • Наличие HART-интерфейса для передачи информации в цифровом виде об измеряемых параметрах и состоянии прибора.
  • Возможность перенастройки преобразователя с кнопок на лицевой панели.
  • Встроенная жидкокристаллическая индикация с подсветкой, отображающая: величину/ единицы/ % измеренного давления + графическая шкала.
  • Класс точности – 0,1 % на номинальном диапазоне.
  • Перенастройка диапазона до 100:1 – для ПД200-ДД и до 10:1 – для ПД200-ДИ/ДИВ.
  • Широкий спектр номиналов сенсоров предоставляет возможность подбора датчика под любую задачу.
  • Корпус поворачивается относительно измерительного штуцера на 360°, индикатор поворачивается на 330°.

 

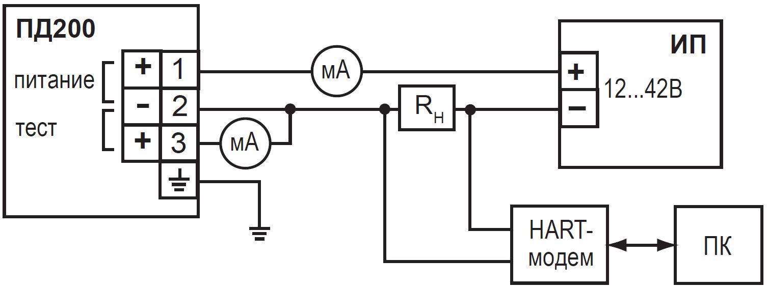
Схема подключения

Высокоточные интеллектуальные датчики ОВЕН ПД200. Схема подключения