НазначениеИзмеритель-регулятор универсальный шестиканальный ТРМ136 предназначен для построения автоматических систем контроля и регулирования производственными технологическими процессами в металлообрабатывающей, пищевой, химической, деревообрабатывающей, в производстве строительных материалов и в других областях промышленности.
ТРМ 136 предназначен для измерения и регулирования температуры, давления и др. физических величин. Он может управлять до 6 исполнительными механизмами, вести регистрацию измерений на ЭВМ.
ТРМ136 является аналогом прибора ТРМ138.
Функциональная схема ТРМ136 с шестью входами для подключения датчиков, 6-ю двухпозиционными регуляторами, формирующими сигнал «Авария», и одним выходным устройством.

Функциональная схема ТРМ136 с тремя входами для подключения датчиков, 6-ю двухпозиционными регуляторами, формирующими сигнал управления, и 6-ю выходными устройствами.

Функциональная схема ТРМ136 с шестью входами для подключения датчиков, 6-ю двухпозиционными регуляторами, формирующими сигнал управления, и 6-ю выходными устройствами

Функциональная схема ТРМ136 с одним входом для подключения датчика, 6-ю двухпозиционными регуляторами, формирующими сигнал управления и 6-ю выходными устройствами.

|
Наименование |
Значение |
|
Диапазон напряжений питания |
от 90 до 264 В переменного (от 47 до 63 Гц) тока |
|
Потребляемая мощность, ВА, не более |
18 |
|
Количество измерительных входов в приборе |
6 |
|
Время опроса одного канала, с, не более |
0,6 |
|
Напряжение встроенного источника питания |
(24±3) В постоянного тока (максимум 150 мА) |
|
Интерфейс связи с компьютером |
RS-485 |
|
Скорость передачи данных по протоколу, кбит/с: ОВЕН, Modbus-RTU, Modbus-ASCII |
2,4; 4,8; 9,6; 14,4; 19,2; 28,8; 38,4; 57,6; 115,2 |
|
Габаритные размеры корпуса Щ7, мм |
144 ´ 169 ´ 50,5 |
|
Масса прибора, кг, не более |
1,0 |
|
Наименование ВУ (обозначение типа) |
Технические характеристики |
Значение |
|
Реле электромагнитное (Р) |
Максимальный ток нагрузки |
1 А |
|
Максимальное напряжение нагрузки |
250 В 50 Гц и cos j >0,4 |
|
|
Максимальное напряжение нагрузки постоянного тока, не менее |
30 В |
|
|
Оптопара транзисторная n-p-n-типа (К) |
Максимальный ток нагрузки, не менее |
400 мА |
|
Максимальное напряжение, не менее |
60 В постоянного тока |
|
|
Оптопара симисторная (С) |
В режиме управления внешним симистором: |
|
|
ток (при длительности импульса не более 2 мс и частоте (50 ±1) Гц), не менее |
400 мА |
|
|
действующее напряжение, не менее |
250 В, 50 Гц |
|
|
В режиме коммутации нагрузки: |
||
|
ток нагрузки, не менее |
40 мА |
|
|
действующее напряжение, не менее |
250 В, 50 Гц |
|
|
Выход для управления внешним твердотельным реле (Т) |
Выходное напряжение холостого хода |
(6 ±0,5) В постоянного тока |
|
Выходное напряжение на нагрузке 250 Ом, не менее |
от 3,3 до 4,9 В постоянного тока |
|
|
Ток короткого замыкания |
от 50 до 72 мА |
|
|
ЦАП «параметр-ток» (И) |
Выходной сигнал постоянного тока |
от 4 до 20 мА |
|
Сопротивление нагрузки |
от 0 до 1300 Ом |
|
|
Номинальное сопротивление нагрузки |
700 Ом |
|
|
Напряжение питания ЦАП |
от 10 до 36 В |
|
|
Номинальное напряжение питания ЦАП |
(24,0 ±3,0)В |
|
|
ЦАП «параметр-напряжение» (У) |
Выходной сигнал постоянного напряжения |
от 0 до 10 В |
|
Сопротивление нагрузки, не менее |
5 кОм |
|
|
Напряжение питания ЦАП |
от 15 до 36 В |
|
|
Номинальное напряжение питания ЦАП |
(24,0 ±3,0) В |
|
|
Условное обозначение НХС преобразователя |
Диапазон |
Значение |
Пределы |
|
Термометры сопротивления по ГОСТ Р 8.625 |
|||
|
Cu 50 (a =0,00426 °С-1) |
от –50 до 200 °С |
0,1 °С |
±0,25 |
|
50 М (a =0,00428 °С-1) |
от –190 до 200 °С |
0,1 °С |
|
|
Pt 50 (a =0,00385 °С-1) |
от –200 до 750 °С |
0,1 °С |
|
|
50 П (a =0,00391 °С-1) |
от –200 до 750 °С |
0,1 °С |
|
|
Cu 100 (a =0,00426 °С-1) |
от –50 до 200 °С |
0,1 °С |
|
|
100 М(a =0,00428 °С-1) |
от –190 до 200 °С |
0,1 °С |
|
|
Pt 100 (a =0,00385 °С-1) |
от –200 до 750 °С |
0,1 °С |
|
|
100 П (a =0,00391 °С-1) |
от –200 до 750 °С |
0,1 °С |
|
|
Термоэлектрические преобразователи по ГОСТ Р 8.585 |
|||
|
TХК (L) |
от –200 до 800 °С |
0,1 °С |
±0,5 ±0,25** |
|
TЖК (J) |
от –200 до 1200 °С |
1 °С |
|
|
TНН (N) |
от –200 до 1300 °С |
1 °С |
|
|
TХА (К) |
от –200 до 1300 °С |
1 °С |
|
|
TПП (S) |
от 0 до 1750 °С |
1 °С |
|
|
TПП (R) |
от 0 до 1750 °С |
1 °С |
|
|
TВР (А-1) |
от 0 до 2500 °С |
1 °С |
|
|
Унифицированные сигналы постоянного напряжения и тока по ГОСТ 26.011 |
|||
|
Ток от 0 до 5 мА |
от 0 до 100 % |
0,1 % |
±0,25 |
|
Ток от 0 до 20 мА |
от 0 до 100 % |
0,1 % |
|
|
Ток от 4 до 20 мА |
от 0 до 100 % |
0,1 % |
|
|
Напряжение от 0 до1 В |
от 0 до 100 % |
0,1 % |
|
|
Сигнал постоянного напряжения |
|||
|
от –50,0 до 50 мВ |
от 0 до100 % |
0,1 % |
±0,25 |
|
*) Приборы, работающие с термопреобразователями сопротивления **) с отключенной схемой КХС |
|||
Примечание – Допускается применение нестандартизованного медного термометра сопротивления с R0 = 53 Ом (a = 0,00426 °С-1) и диапазоном измерений от минус 50 до плюс 200 °С.
При необходимости прибор может комплектоваться выходными устройствами различного типа. В этом случае требуемые устройства должны быть перечислены при заказе с указанием количества каждого типа.

Щ7 – корпус щитового крепления с размерами 144×169×50,5 мм, степенью защиты со стороны лицевой панели IP54 и степенью защиты корпуса – IР00.


Схема подключения электромагнитных реле прибора ТРМ136-Р

Схема подключения транзисторных оптопар прибора ТРМ136-К

Схема подключения симисторных оптопар прибора ТРМ136-С

Схема подключения ЦАП прибора ТРМ136-И

Схема подключения твердотельных реле прибора ТРМ136-Т

Схема подключения выходных устройств прибора ТРМ136-У

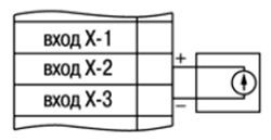
Пример схемы подключения активных датчиков d1-d4 с выходным сигналом тока от 4 до 20 мА

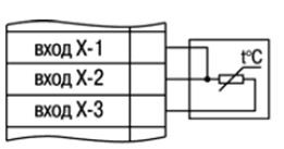
Пример подключения датчиков различного типа

Общая схема подключения измерительных датчиков

Схема установки перемычек на неиспользуемый вход
