Корпуса модульные пластиковые КМПн, IP66

Повышенная степень защиты корпуса позволяет использовать его в помещениях с большим
содержанием пыли и влаги, например, в гаражах, производственных помещениях, подвалах,
автомойках, на складах, а также на открытом воздухе.
Предназначены для сборки распределительных электрощитов с использованием модульной
аппаратуры, для ввода и распределения электроэнергии, а также защиты сетей напряжением
230/400 В от токов перегрузки и короткого замыкания.

Преимущества

  • Высококачественный полиуретановый уплотнитель обеспечивает дополнительную защиту корпуса от влаги и пыли.
  • Возможность запирания корпуса от несанкционированного доступа на замок.
  • Удобство сборки и монтажа.
  • Невыпадающие винты.
  • Широкий номенклатурный ряд.
  • Расширенный диапазон рабочих температур — от —25 до +85°С.
  • Полная комплектация — готовность к сборке.
  • Стильный эргономичный дизайн.

Особенности конструкции

Направление открывания фасадной панели может быть легко изменено как вправо, так и влево по месту монтажа за счет наличия пластиковых петель.

 

DIN-рейка регулируется по глубине, для ее установки используются пластиковые фиксаторы.

 

Защита корпуса от несанкционированного доступа обеспечена наличием замка с трехгранным ключом.

 

Съемный держатель шин N и PE можно устанавливать как вверху, так и внизу корпуса на специальные крепления. Сами же шины N и PE устанавливаются на съемный держатель простым защелкиванием в посадочные места.

Удобный и точный монтаж корпуса возможен за счет специальной разметки крепежных отверстий для крепления корпуса к стене.

 

Легкая и быстрая установка сальников под разные сечения происходит за счет выламываемых отверстий различного диаметра, которые расположены вверху и внизу корпуса.

Технические характеристики

  • Вид установки навесной
  • Степень защиты IP66
  • Класс защиты II
  • Стойкость к механическим ударам IK07
  • Материал корпуса АБС-пластик
  • Испытания раскаленной проволокой 650 °С
  • Диапазон рабочих температур от —25 до +85°С
  • Цвет корпуса RAL 7035
  • Номинальный ток до 100 А
  • Стойкость к ультрафиолетовому излучению

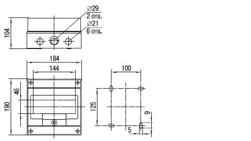
Габаритные размеры

MKP73-N-04-66
MKP73-N-08-66
MKP73-N-12-66
MKP73-N-16-66
MKP73-N-24-66
MKP73-N-32-66
MKP73-N-48-66

Ассортимент

Изобр. Наим. Шины Масса, кг Кол-во в упаковке Артикул
КМПн-4, навесной. Типоразмер: 1 ряд, 4 модуля Шины (1 шт.) N и PE: 5×10 мм2 0,5 1 MKP73-N-04-66
КМПн-8, навесной. Типоразмер: 1 ряд, 8 модулей Шины (1 шт.) N и PE: 5×10 мм2 + 5×16 мм2 0,71 1 MKP73-N-08-66
КМПн-12, навесной. Типоразмер: 1 ряд, 12 модулей Шины (1 шт.) N и PE: 5×10 мм2 + 5×16 мм2 1,42 1 MKP73-N-12-66
КМПн-16, навесной. Типоразмер: 1 ряд, 16 модулей Шины (2 шт.) N и PE: 5×10 мм2 + 5×16 мм2 1,78 1 MKP73-N-16-66
КМПн-24, навесной. Типоразмер: 2 ряда, 24 модуля Шины (3 шт.) N и PE: 5×10 мм2 + 5×16 мм2 2,32 1 MKP73-N-24-66
КМПн-32, навесной. Типоразмер: 2 ряда, 32 модуля Шины (3 шт.) N и PE: 5×10 мм2 + 5×16 мм2 2,75 1 MKP73-N-32-66
КМПн-48, навесной. Типоразмер: 3 ряда, 48 модулей Шины (5 шт.) N и PE: 5×10 мм2 + 5×16 мм2 3,75 1 MKP73-N-48-66