
Датчики ОВЕН ПД100 модели 115 представляют собой преобразователи давления с измерительной мембраной из нержавеющей стали и «полевым корпусом» с кабельным вводом под гибкий кабель 6 – 8 мм.
Данная модель характеризуется повышенной устойчивостью к эксплуатации в тяжелых условиях (в условиях Крайнего Севера и т.п.) и наличием взрывозащищенного исполнения 1ExdIICT6Gb.
Преобразователи данной модели предназначены для систем автоматического регулирования и управления в промышленности на основных и вторичных производствах, расположенных в сложных климатических и иных условиях, требующих применения оборудования в «полевом» корпусе: газотранспортных и газораспределительных системах, нефтепромыслах, объектах транспортировки нефти, НПЗ, объектах энергетики и т.п.
Основные характеристики
-
измерение избыточного/вакуумметрического/избыточно-вакуумметрического давления нейтральных к нержавеющей стали AISI 316L (AISI 304S) сред (пар, вода, газы в том числе природный, масло, слабоагрессивные жидкости и т.п.) в сложных условиях эксплуатации.
-
преобразование давления в унифицированный сигнал постоянного тока 4...20 мА.
-
верхний предел измеряемого давления (ВПИ) – от 10 кПа до 6,0 (10*) МПа.
-
перегрузочная способность – от 200% ВПИ и выше.
-
основная приведенная погрешность – 0,25; 0,5 % ВПИ.
-
взрывозащита «взрывонепроницаемая оболочка» 1ExdIICT6Gb – опционально.
-
степень защиты корпуса и электроразъёма преобразователя – IP65.
-
помехоустойчивость удовлетворяют требованиям к оборудованию класса А по ГОСТ Р 51522.
Обозначение при заказе
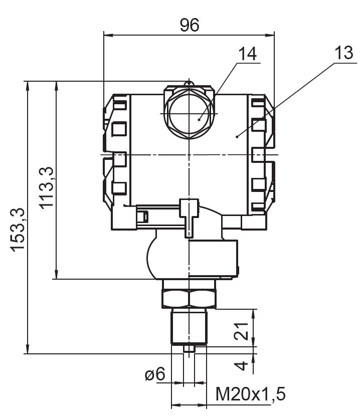
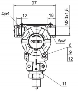
Габаритные размеры