Предназначен для управления симисторами или тиристорами, работающими с активной или активно индуктивной нагрузкой: нагревательными элементами печей, инфракрасными лампами, трансформаторами, двигателями и др.
БУСТ2 рекомендуется использовать для регулирования мощности совместно с ПИД-регуляторами ОВЕН ТРМ101, ОВЕН ТРМ10, ОВЕН ТРМ210, ОВЕН ТРМ251, ОВЕН ТРМ151 или ПЛК ОВЕН.
Прибор выпускается в корпусе креплением на Din - рейку.
Функциональные возможности
- АВТОМАТИЧЕСКОЕ РЕГУЛИРОВАНИЕ МОЩНОСТИ активной нагрузки с помощью сигналов управления 0(4)...20 мА, 0...5 мА, 0...10 В, 0...1 В поступающих от регулятора
- Управление нагрузкой, включенной «ЗВЕЗДОЙ» и «ТРЕУГОЛЬНИКОМ»
- Управление АКТИВНОЙ и АКТИВНО-ИНДУКТИВНОЙ нагрузкой (cos φ>0,4)
- Управление мощными симисторами и тиристорами с токами управления до 1,5 А
- РУЧНОЕ РЕГУЛИРОВАНИЕ МОЩНОСТИ с помощью встроенного потенциометра
- ДВА МЕТОДА УПРАВЛЕНИЯ СИМИСТОРАМИ ИЛИ ТИРИСТОРАМИ, в зависимости от инерционности нагрузки и уровня помех в сети
- ЗАЩИТА СИЛОВЫХ ТИРИСТОРОВ ИЛИ СИМИСТОРОВ при возникновении аварийных ситуаций: короткого замыкания или превышения номинального тока в нагрузке (с использованием внешних трансформаторов тока)
- СВЕТОДИОДНАЯ ИНДИКАЦИЯ УРОВНЯ МОЩНОСТИ (10 уровней от 0 до 100 %)
- ВОЗМОЖНОСТЬ ВНЕШНЕЙ БЛОКИРОВКИ управления нагрузкой
- РАБОТА С ОДНО-, ДВУХ- И ТРЕХФАЗНОЙ НАГРУЗКОЙ
Переключение режимов
-ПЛАВНЫЙ ВЫХОД НА ЗАДАННЫЙ УРОВЕНЬ МОЩНОСТИ для предотвращения резких перегрузок питающей сети или защиты нагревателей
-МГНОВЕННЫЙ ВЫХОД НА ЗАДАННЫЙ УРОВЕНЬ МОЩНОСТИ для управления низко-инерционными нагрузками
Технические характеристики
Питание
| Наименование | Значение |
| Напряжение питания, В | 220 |
| Частота, Гц | 50 |
| Допустимое отклонение напряжения питания от номинала, % | -15..+10 |
| Потребляемая мощность, ВА, | не более 4 |
Входы
| Наименование | Значение |
| Входы управления/входное сопротивление |
0...1 В/47кОм 0...10 В/47кОм 0...20 мА/50 Ом 4...20 мА/50 Ом |
| Напряжение низкого уровня на входе «Блокировка», В | 0...0,4 |
| Напряжение высокого уровня на входе «Блокировка», В | 2,4...5 |
Выходы
| Наименование | Значение |
| Импульсный ток управления, А, не менее | 0,5 либо 1,5, в зависимости от настроек блока |
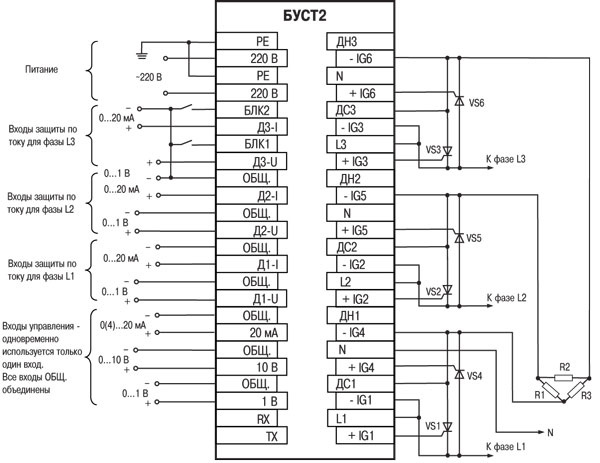
Схемы подключения
![]() |
| Схема соединения для типа подключения нагрузки «звезда с нейтралью» |
![]() |
| Схема соединения для типа подключения нагрузки «звезда с нейтралью и симисторами» |
![]() |
| Схема соединения для типа подключения нагрузки «разомкнутый треугольник» |
![]() |
| Схема соединения для типа подключения нагрузки «одна фаза, 220 В» |
![]() |
| Схема соединения для типа подключения нагрузки «одна фаза, 380 В» |
![]() |
| Схема соединения для типа подключения нагрузки «две фазы, 220 В» |
![]() |
| Схема соединения для типа подключения нагрузки «две фазы, 380 В» |
![]() |
| Схема соединения для типа подключения нагрузки «замкнутый треугольник» |
![]() |
| Схема соединения для типа подключения нагрузки «звезда без нейтрали» |
![]() |
| Схема соединения для типа подключения нагрузки «звезда без нейтрали» с симисторами |